Pengyu An(安鹏宇)

I am a fourth-year undergraduate student in Shanghai Jiao Tong University (SJTU). I am a member of the Zhiyuan Engineering Honor Program. My undergraduate major is Intelligent Sensing Engineering (ISE), which is related to AI, control, sensing, information processing and so forth.

My research interest mainly focuses on robotic manipulation and multimodal large language model (MLLM). I am aimed to develop robots equipped with generalizable, versatile and robust manipulation capabilities. I am also interested in the optimization and construction of effective models which can better understand data of different modalities such as vision, tactile, language and so on.

During my undergraduate study, I am fortunate to be mentored by Prof.Yonglu Li in the MVIG-RHOS team.

Email  /  Github  /  WeChat  /  X  /  Bilibili  / 

profile photo

News

  • [Aug. 2025]:Our paper exUMI: Extensible Robot Teaching System with Action-aware Task-agnostic Tactile Representation is accepted by CoRL 2025.
  • [Apr. 2024]:Our paper Analysis of Low Voltage AC Transmission System with Simultaneous Bi-directional Transmission of AC Power and Signal is accepted by CEEPE 2024.
Publications

Representative papers are highlighted. * denotes equal contribution. † denotes corresponding author(s).

clean-usnob exUMI: Extensible Robot Teaching System with Action-aware Task-agnostic Tactile Representation
Yue Xu, Litao Wei, Pengyu An, Qingyu Zhang, and Yong-Lu Li†
Conference on Robot Learning (CoRL), 2025
project page / paper / code / youtube

In this paper, we introduce exUMI, a tactile robot learning system with both hardware and algorithm innovations, achieving 100% data usability as well as capturing contact dynamics and mitigating tactile sparsity.

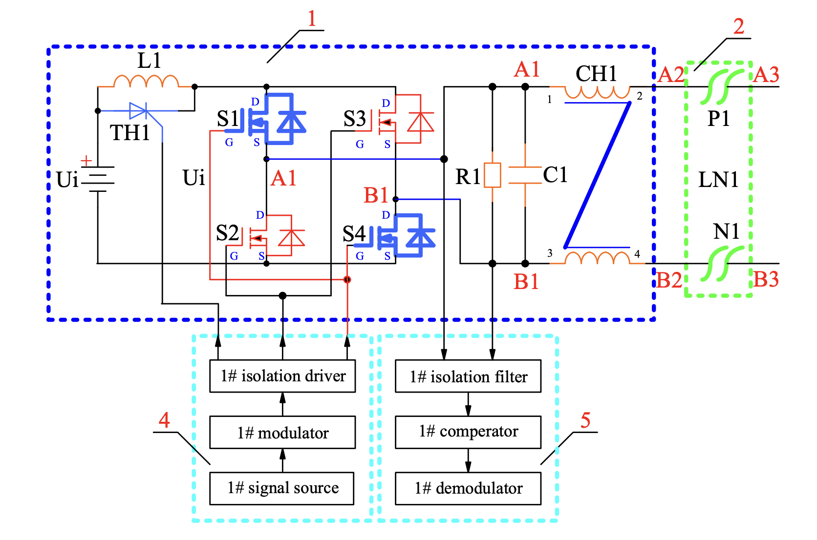
clean-usnob Analysis of Low Voltage AC Transmission System with Simultaneous Bi-directional Transmission of AC Power and Signal
Jianfeng Jiang, Zekun Wang, Pengyu An, Zhihang Song, Yihe Shen, Siwen Ye, Xijun Yang, and Jiangdong Mu
International Conference on Energy, Electrical and Power Engineering (CEEPE), 2024
project page / paper

In this paper, we introduce a low-voltage AC transmission system with bidirectional simultaneous transmission of AC power and information data.

Selected Awards and Honors

  • 2025: Second Prize of Tsinghua SIGS Artificial Intelligence Project 2025 Embodied Intelligence Challenge (Top 5-12/46, ¥1500 RMB)
  • 2024: Huawei Scholarship (2/64, ¥5000 RMB)
  • 2024: Excellent Communist Youth League Member (Top 5% SJTU)
  • 2023, 2024: Zhiyuan Honor Scholarship (Top 5% SJTU, ¥5000 RMB)
  • 2023, 2024: B-level Merit Scholarship (Top 10% SJTU, ¥1000 RMB)

Service

  • Not available for now.

Design and source code from Jon Barron's website.